BICSI RCDDv14.1 Exam (page: 6)
BICSI Registered Communications Distribution Designer Exam
Updated on: 15-Feb-2026

Viewing Page 6 of 65

Which two of the following types of metallic conduit REQUIRE threaded couplings? (Select two options.)

  1. Electrical metallic tubing (EMT)
  2. Aluminum metal conduit (AMC)
  3. Flexible metal conduit (FMC)
  4. Intermediate metal conduit (IMC)
  5. Rigid metal conduit (RMC)

Answer(s): D,E



When considering pathway types, the ICT distribution designer should consider the applicable MICE factors as defined in TIA 568 for structured cabling systems and components MICE 3 relates to

  1. commercial environment
  2. heavy industrial environment
  3. medical environment
  4. light industrial environment

Answer(s): A



An ICT distribution designer is representing a client during a project execution.
What is the designer's role in the Vendor and Contractor Coordination?

  1. Oversee the sequence of the work and ensure that the job proceeds as anticipated in accordance with the project execution schedule
  2. Synchronizes the daily activities of all trades through daily or weekly meetings (depending on project size, complexity, or criticality) with individual trade PMs. Fore people, supervisors and designers as necessary
  3. Holds two critical meetings to begin the project and allow all parties to introduce themselves The first meeting usually is conducted with the owner and design team, and the second meeting is with the field personnel and subcontractors
  4. lf specific questions arise regarding coordination of the installation with structural, architectural, and site conditions and work between trades, submit RFIs to the GC with appropriate documentation to demonstrate the concern along with the proposed installation.

Answer(s): D



An ICT distribution designer is designing a backbone cabling network that is specified for a campus network including several links approaching 2000 m (6562 It) and data rates of 100 Gb/s What optical fiber type(s) should be used?

  1. OM3 fiber
  2. OM4 fiber
  3. Both OS1 and OS2 fiber
  4. Both OS2 and OM3 fiber

Answer(s): C



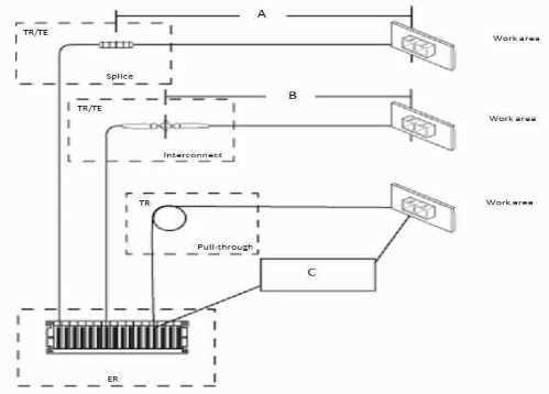
What is the MAXIMUM recommended length for A in the image below?

  1. 70 m (230 ft)
  2. 90 m (295 ft)
  3. 100 m (320 ft)
  4. 150 m (495 ft)
  5. 300 m (985 ft)

Answer(s): B



Viewing Page 6 of 65



Share your comments for BICSI RCDDv14.1 exam with other users:

vs 9/2/2023 12:19:00 PM

no comments
Anonymous


john adenu 11/14/2023 11:02:00 AM

nice questions bring out the best in you.
Anonymous


Osman 11/21/2023 2:27:00 PM

really helpful
Anonymous


Edward 9/13/2023 5:27:00 PM

question #50 and question #81 are exactly the same questions, azure site recovery provides________for virtual machines. the first says that it is fault tolerance is the answer and second says disater recovery. from my research, it says it should be disaster recovery. can anybody explain to me why? thank you
CANADA


Monti 5/24/2023 11:14:00 PM

iam thankful for these exam dumps questions, i would not have passed without this exam dumps.
UNITED STATES


Anon 10/25/2023 10:48:00 PM

some of the answers seem to be inaccurate. q10 for example shouldnt it be an m custom column?
MALAYSIA


PeterPan 10/18/2023 10:22:00 AM

are the question real or fake?
Anonymous


CW 7/11/2023 3:19:00 PM

thank you for providing such assistance.
UNITED STATES


Mn8300 11/9/2023 8:53:00 AM

nice questions
Anonymous


Nico 4/23/2023 11:41:00 PM

my 3rd purcahse from this site. these exam dumps are helpful. very helpful.
ITALY


Chere 9/15/2023 4:21:00 AM

found it good
Anonymous


Thembelani 5/30/2023 2:47:00 AM

excellent material
Anonymous


vinesh phale 9/11/2023 2:51:00 AM

very helpfull
UNITED STATES


Bhagiii 11/4/2023 7:04:00 AM

well explained.
Anonymous


Rahul 8/8/2023 9:40:00 PM

i need the pdf, please.
CANADA


CW 7/11/2023 2:51:00 PM

a good source for exam preparation
UNITED STATES


Anchal 10/23/2023 4:01:00 PM

nice questions
INDIA


J Nunes 9/29/2023 8:19:00 AM

i need ielts general training audio guide questions
BRAZIL


Ananya 9/14/2023 5:16:00 AM

please make this content available
UNITED STATES


Swathi 6/4/2023 2:18:00 PM

content is good
Anonymous


Leo 7/29/2023 8:45:00 AM

latest dumps please
INDIA


Laolu 2/15/2023 11:04:00 PM

aside from pdf the test engine software is helpful. the interface is user-friendly and intuitive, making it easy to navigate and find the questions.
UNITED STATES


Zaynik 9/17/2023 5:36:00 AM

questions and options are correct, but the answers are wrong sometimes. so please check twice or refer some other platform for the right answer
Anonymous


Massam 6/11/2022 5:55:00 PM

90% of questions was there but i failed the exam, i marked the answers as per the guide but looks like they are not accurate , if not i would have passed the exam given that i saw about 45 of 50 questions from dump
Anonymous


Anonymous 12/27/2023 12:47:00 AM

answer to this question "what administrative safeguards should be implemented to protect the collected data while in use by manasa and her product management team? " it should be (c) for the following reasons: this administrative safeguard involves controlling access to collected data by ensuring that only individuals who need the data for their job responsibilities have access to it. this helps minimize the risk of unauthorized access and potential misuse of sensitive information. while other options such as (a) documenting data flows and (b) conducting a privacy impact assessment (pia) are important steps in data protection, implementing a "need to know" access policy directly addresses the issue of protecting data while in use by limiting access to those who require it for legitimate purposes. (d) is not directly related to safeguarding data during use; it focuses on data transfers and location.
INDIA


Japles 5/23/2023 9:46:00 PM

password lockout being the correct answer for question 37 does not make sense. it should be geofencing.
Anonymous


Faritha 8/10/2023 6:00:00 PM

for question 4, the righr answer is :recover automatically from failures
UNITED STATES


Anonymous 9/14/2023 4:27:00 AM

question number 4s answer is 3, option c. i
UNITED STATES


p das 12/7/2023 11:41:00 PM

very good questions
UNITED STATES


Anna 1/5/2024 1:12:00 AM

i am confused about the answers to the questions. are the answers correct?
KOREA REPUBLIC OF


Bhavya 9/13/2023 10:15:00 AM

very usefull
Anonymous


Rahul Kumar 8/31/2023 12:30:00 PM

need certification.
CANADA


Diran Ole 9/17/2023 5:15:00 PM

great exam prep
CANADA


Venkata Subbarao Bandaru 6/24/2023 8:45:00 AM

i require dump
Anonymous